陕汽德龙后八轮采油车
【整车技术参数】 | |||
产品商标 | 公告批次 | ||
产品名称 | 产品型号 | ||
总质量(Kg) | 罐体容积(m3) | ||
额定载质量(Kg) | 外形尺寸(mm) | ||
整备质量(Kg) | 驾驶室准乘人数(人) | ||
接近角/离去角(°) | 前悬/后悬(mm) | ||
轴荷(Kg) | 最高车速(Km/h) | ||
【底盘技术参数】 | |||
底盘型号 | 底盘名称 | ||
商标名称 | 生产企业 | ||
轴数 | 轮胎数 | ||
轴距 (mm) | 3775+1400,3975+1400,4375+1400,4575+1400,4975+1400,5575+1400,5775+1400,5975+1400 | ||
轮胎规格 | |||
钢板弹簧片数 | 前轮距(mm) | ||
燃料种类 | 后轮距(mm) | ||
排放依据标准 | |||
发动机型号 | 发动机生产企业 | 排量(ml) | 功率(Kw) |
公司以满足用户的需求为宗旨,以质量求生存、以科技求发展、以服务求信誉,积极引进国外先进技术,进行长期的消化吸收和创新开发,努力使我们提供的产品为用户创造更多的经济效益。
我们将竭诚为您提供产品和服务,创造机会和财富!
本说明书尽可能的与实际产品保持一致,但由于产品结构的改进完善和技术协议的变化,可能与实际略有不同,敬请以实物为准。更改恕不通知。
产品的任何使用、管理、操作、维护保养及维修人员必须熟知本说明书的相关内容,并遵循其有关的使用、管理、操作、维护保养及维修的规范程序,并特别注意本说明书所提示的安全警示、注意等内容,以及国家法律法规、行业规定及一般常识性的安全条规及注意事项,以避免导致人身事故和设备的损坏。
本说明书可能无法详尽列出所有的安全警示信息,因此在选用任何一种方法进行操作时,必须首先确认该方法既不会:θ松戆踩,也不会损坏设备。
正确的维护保养是产品安全可靠运行的重要因素,维护保养人员应按照本说明书介绍的方法进行保养。
产品正确的维修、更换原厂的零部件是设备安全可靠运行的重要因素,使用者必须根据厂方的授权范围进行维修和更换零部件。
本使用说明书含有下列符号,预示操作人员的危险状况:
危险!——表示高度危险,会造成人员的严重受伤或死亡。
警告! ——表示中度危险,不安全做法会导致人员受伤或死亡。
注意!——表示轻度危险,不安全做法会导致人员受伤或对机器造成损害。
目 录
一、概述…………………………………………………………… 4
二、结构组成与工作原理………………………………………… 5
三、技术特性……………………………………………………… 7
四、设备的使用与操作…………………………………………… 9
五、主要部件及其维护保养……………………………………… 13
六、设备的定期保养……………………………………………… 39
七、润滑…………………………………………………………… 40
八、故障分析与排除……………………………………………… 41
九、运输与储存…………………………………………………… 42
十、质量保证 …………………………………………………… 42
十一、附表
十二、附图
一、概述
1、用途
采油车主要用于边缘、废弃及低产井的采油作业,亦可用于油、水井的通井和打捞作业及其它辅助作业。
2、VIN代号打印在汽车标牌上,标牌铆在构架的后端部。
二、结构组成及工作原理
1、工作原理
ZM5220TCY6型采油车基本结构型式为车载移运式。在汽车大梁上装有车架,车架前端装有前支架,中部装有全功率取力器、操作室、起升油缸、绞车、角传动箱,尾部装有后支架、液压支腿缸、液压油箱等。井架为桁架结构,并由前后支架支撑,后端用销轴与后支架联接,中部与起升液缸活动联接。
绞车动力来源于主车发动机,通过全功率取力器、传动轴、角传动箱、主链条传递到绞车,带动绞车完成正反向转动。
在汽车变速箱侧面,通过配置侧取力器,带动齿轮泵旋转,为管线中液压油提供压力,高压油经多路换向阀,到各液压油缸,使其完成规定动作。
2、结构组成
ZM5220TCY6型采油车主要由以下几部分组成。
2.1汽车底盘
给专用装置提供动力,装载并移动绞车,钢丝绳及其它有关配套设备。
2.2传动系统
包括全功率取力器、传动轴、角传动箱及传动链条,传动系统担负着采油作业所需动力的传递。
2.3绞车总成
用于缠绕和带动钢丝绳,提升抽吸工具。
2.4副车架
用于支承绞车及其它传动系统等。
2.5操作室
提供操作系统及良好的操作环境。
2.6操纵装置
包括副排档装置,副油门装置,副动离合器及刹车装置等。它用于作业时对绞车的操纵或控制。
2.7液压系统
用于立放井架并使井架牢固地立于地面上。同时也用于整车的调平,并为绞车液压助力刹车提供动力。
2.8气路系统
用于设备的操纵或控制。
2.9电路系统
用于照明和仪表的显示等。
2.10排绳机构
用于将钢丝绳整齐地在排列在滚筒上,防止钢丝绳交错排列而损坏钢丝绳。
2.11计量装置
用于作业过程中计量钢丝绳入井深度、拉力变化情况等。
三、技术特性
1、整车主要技术参数
项目名称 | 技术参数 | ||
整 车 | 型号 | ZM5220TCY6型采油车 | |
外形尺寸(长×宽×高)mm | 11400×2550×3980 | ||
最大总质量kg | 22330 | ||
整备质量kg | 22200 | ||
驾驶室准乘人数 | 2 | ||
底盘 | 型号 | SX1259MC4C1 | |
生产企业 | 陕西汽车集团有限责任公司 | ||
轴距mm | 4375+1400 | ||
轴数 | 3 | ||
轮胎数 | 10 | ||
最高车速km/h | 92 | ||
发动机 | 型号 | WP9H350E62 | |
额定功率 kW | 257/1900rpm | ||
最大扭矩 N.m | 1600 | ||
型式 | 直列六缸、水冷、增压中冷、直喷电控柴油机 | ||
生产企业 | 潍柴动力股份有限公司 | ||
变速箱 | 型号 | 12JSD180T | |
生产企业 | 法士特 | ||
各档位速比 | 见下表 | ||
专用性能参数 | 最大提升力kN (滚筒最小直径处) | 120 | |
最大提升力kN (滚筒最大直径处) | 45 | ||
最大作业深度m | 3000 | ||
2、变速箱各档速比
档位 | 1 | 2 | 3 | 4 | 5 | 6 | 7 | 8 | 9 | 10 | 11 | R |
速比 | 15.53 | 12.08 | 9.39 | 7.33 | 5.73 | 4.46 | 3.48 | 2.71 | 2.1 | 1.64 | 1.28 | 1.00 |
3、绞车传动链速比
1)全功率取力器:直齿圆柱齿轮传动, 速比1
2)角传动箱: 圆锥齿轮传动, 速比1.65
3)终端传动采用链传动, 速比 3.05
4、滚筒能力参数
1)最大采油作业深度: 3000m
2)滚筒绕绳量: φ16mm钢丝绳
3)最大提升负荷: 120kN(仅作用在滚筒最小工作直径处)
4)作业线速度: 0.5m/s~3m/s
汽车不同档位下滚筒各直径处的线速度及提升力可见下表。
绞车在不同档位下的提升性能
变速箱档位 | 总传动比 | 滚 筒 转 速 | 滚筒线速度(m/s) | 最大提升力(kN) | 备注 | ||
最小直径处 | 最大直径处 | 最小直径处 | 最大直径处 | ||||
Ⅱ | 56.2 | 24.9 | 0.55 | 1.22 | 120 | 45 | 不推荐使用 |
Ⅲ | 41.7 | 33.6 | 0.75 | 1.65 | 120 | 45 | 不推荐使用 |
Ⅳ | 30.6 | 45.8 | 1.05 | 2.25 | 120 | 45 | 正常 |
Ⅴ | 22.4 | 62.5 | 1.39 | 2.55 | 120 | 45 | 正常 |
Ⅵ | 16.85 | 1.85 | 2.55 | 104 | 45 | 不推荐使用 | |
注:1、发动机转速1000rpm左右
2、变速箱档位推荐使用Ⅳ档、Ⅴ档、Ⅵ档进行工作。
3、变速箱前三档速比较大,不推荐使用。
4、变速箱Ⅵ档以后,速度过快,不推荐使用
四、设备的使用与操作
正确地使用与保养设备,是保证完成生产任务与延长该车使用寿命的重要条件,为了能达到此目的,必须严格遵守各项操作规程和保养制度。
采油车是在陕西汽车集团有限责任公司生产的二类底盘上改装而成,在操作室可以进行的对发动机、变速箱和离合器的操作,发动机所有转速、水温和油压在操作室的控制台上均有显示。
1、新车走合
新设备的正确走合对延长设备的使用寿命有极大的关系,汽车底盘的走合见《汽车使用保养说明书》。
1.1 绞车作业线速度不超过2.55m/s;
1.2 操作应平稳准确,不得突然刹车;
1.3 注意检查全功率取力器、减速箱、绞车及传动轴的轴承温度要小于温升45°,全功率取力器,角传动箱油池润滑油要小于温升50°。
1.4 检查并紧固副车架的U形连接螺栓及其它各重要部位的连接螺栓。
1.5 走合期满后应做以下工作
1.5.1 更换全功率取力器、减速箱的润滑油;
1.5.2 检查并调整刹车摩擦片与刹车鼓间的间隙,使其在整个包角范围内约为2mm,且间隙的分布应均匀。
1.5.3 紧固各连接螺栓。
1.5.4 底盘走合期满后按《汽车使用保养说明书》进行保养。
2、作业前的准备
2.1 将汽车倒向井口的适当位置,使主车大梁后端距井口1.7m~2.0m远,并使绞车对称中心与井口在一条直线上;将汽车手刹装置处于制动状态。
警告:
车辆停放地面,特别是支腿油缸支撑地面应平整坚实,车辆前后轮胎应设置掩体固定,支腿应设置垫木。
2.2 必要时打开操作室灯和井场照明灯。
2.3 操作二位三通手动转阀,挂上侧面取力器。
2.4 操作多路换向阀,打开主车支腿油缸、立起井架、打开井架支腿油缸,使天车对准井口,并连接好井口装置。
2.5 将全功率取力器操纵手柄(在汽车驾驶室)搬到绞车档位置。
3、起动及空运转
3.1 起动前将副油门手柄搬到较小开度,副排档置于空位,踏下副动离合器踏板,打开点火开关,起动汽车发动机(起动时间不得超过10s,二次起动间隔30s)。起动后,待发动机运转稳定,各仪表显示正常,再松开副动离合器将副油门手柄搬到适当位置,使发动机转速约为1000r/min。
3.2 松开绞车刹车。
3.3 踏下副动离合器踏板,挂变速箱Ⅰ档,松开副动离合器,绞车即转动,由低向高逐级升档,让绞车正反运转5min,检查传动系统,操纵装置,并对整车进行检查,确认设备正常即可进行作业。
4、作业操作及注意事项
4.1 作业操作:
4.1.1 绞车面板仪器校零:分别对深度、张力指示表进行校零。
4.1.2 排绳:在滚筒缠绕钢丝绳时同步转动排绳器手轮即可进行排绳。
注意:
注意排绳器外露旋转部件伤人。
4.1.3 调速:为了满足采油作业速度要求,可选用汽车变速箱不同档位和油门的大小。
注意:
1、发动机正常的经济转速为1000r/min。
2、下放时不允许空溜。
3、为保证采油车运行安全平稳,禁止对绞车猛提猛刹。
4、为保证刹车可靠性,应保证刹带与刹车榖间的距离约为2mm,刹带与摩擦鼓间无浊污,接触良好。
5、作业完毕及行车前的注意事项
5.1 在作业完毕切断动力的同时必须刹住绞车。
5.2 汽车排档置空位。
5.3 关闭各种电器开关,并使机油压力和水温表开关置主车档位置。
5.4 固定好钢丝绳。
5.5 全功率取力器换档手柄置行车档位。
警告
1、起升和下放井架时,除操作手外,台板上及井架附近禁止站人。
2、井架天车必须与井口对齐。并保证井口中心到台板后尾部距离保持在1.7m~2.0m范围内。
3、只有熟练的操作人员,方可操作本设备。
4、作业人员应佩戴安全帽、工作服、防滑工鞋等劳保用品,上下车时,必须从梯子上下。
![]()
危险
1、发动机排气管应配备防火罩,同时在作业区域禁止吸烟、打手机。
2、作业过程中,在提升和下放抽子时,井架下方禁止站人。
五、主要部件及其维护保养
1、传动系统
传动系统原理如图1。

1、底盘发动机2、底盘离合器3、底盘变速箱4、主传动轴5、全功率取力器6、下传动轴7、上传动轴8、角传动箱9、滚子链10、推盘离合器11、绞车总成
图1 传动系统原理图
1.1 前(后),上传动轴
前(后)传动轴由原汽车底盘的传动轴带万向节总成改制而成,起动力传递作用。上传动轴由汽车的传动轴带万向节总成改制而成,起动力传递作用。
1.1.1前(后、上)传动轴的维护保养主要注意以下几点:
1)在拆卸后重新装配时应保证轴管和花键上的箭头对准,以保证原件的动平衡精度。
2)在使用过程中必须经常检查所有紧固件是否松动,若有松动及时拧紧。
3)万向节十字轴的滚针轴承应按润滑的规定进行润滑,以保证其使用寿命和润滑性能。
1.2 全功率取力器
全功率取力器是一个圆柱齿轮传动装置。它通过前传动轴与汽车变速箱相连,通过上传动轴和角传动箱相连,它担负着驱动绞车运转和汽车行驶的动力传递。当绞车需要动力时,全功率取力器把发动机的动力传给绞车,同时切断发动机与汽车分动箱的动力联系,当汽车需要行驶时,全功率取力器把发动机的动力传递给汽车分动箱,并传递到汽车后桥,同时切断绞车的动力。
全功率取力器的动力切换由气动控制机构配合离合器控制来实现。变档时踏下离合器踏板切断动力,先将全功率取力器齿轮退到空档,然后,配合离合器控制,在挂合齿对正的时候,便可顺利变档,变速轨向左拉到位时就挂上绞车档,向右推到位时就挂上了行车档。
全功率取力器的维护保养应注意以下几点:
1)必须经常检查全功率取力器的润滑情况,在箱体上设有透气塞、加油口、放油丝堵和高低油位检查油孔(平常用螺栓堵塞),以便检查,添加或更换润滑油。采用油品见表5。
2)使用中,必须注意挂档与离合器的配合,不得强行挂变速档,应尽力避免齿轮轮齿间的冲击,以减轻轮齿端部的冲击磨损,延长齿轮的使用寿命。
3)必须定期检查全功率取力器与其支撑装置的连接螺栓是否松动,若松动必须及时上紧,否则将由于行车的颠簸引起事故的发生。
1.3 角传动箱
角传动箱是一类垂直传动的传动箱体,就是输入轴与输出轴成一定的角度传递动力。是采油车动力传动系统中的核心部件之一,是动力端与绞车之间的传递纽带,可满足采油作业时所要求的扭矩及转速范围。
角传动箱在结构上主要由输入轴、输入齿轮、输出轴和输出齿轮、输出链轮、链盒安装法兰盘以及传动箱体等组成。它用来将变矩器的输出动力经一对相互啮合的格里森齿锥齿轮改变方向后,经输出轴、输出链轮传递给绞车输入端。
1.3.1 角传动箱调整与使用
1.3.1.1 角箱的调整
角传动的调整主要包括齿轮副的齿侧间隙调整和轴承间隙调整,调整良好的间隙可确保传动箱的工作质量和使用寿命。
齿轮副齿侧间隙的调整
传动箱的齿轮副间隙的大小直接影响到齿轮副的啮合质量。调整合适的齿侧间隙须保证锥齿轮在受力变形及发热而膨胀后,仍保持一定的间隙,而使油膜不受破坏,进而降低齿轮噪音,提高齿轮使用寿命。
角传动箱相互啮合的齿轮副是一对垂直相交的锥齿轮,因此调整时应在相互垂直的两个方向同时进行调整。

1、输入轴承座;2、螺栓;3、输入齿轮调整垫片;4、输出齿轮调整垫片 5、螺栓;6、输出轴承座
图2 角箱齿轮传动间隙调整
如上图所示,调整的方法是:松开螺栓2和5,同时增加或减少输入轴承座和箱体之间的调整垫片3,输出轴承座与箱体之间的调整垫片4,直到齿侧间隙合适再上紧螺栓。
提示:0.1mm的垫片使间隙变化约0.05mm
0.2mm的垫片使间隙变化约0.1mm
0.5mm的垫片使间隙变化约0.3mm
注意:在增减各自垫片的同时,应使齿轮副的背锥对齐,否则影响齿轮结合面的接触区。
齿侧间隙可以采用如下的简易测量方法进行测量:用一根细铅丝,嵌入相互啮合的两个齿轮中间,用手轻轻转动齿轮,待两齿轮啮合完毕,取出经两齿轮挤压的铅丝,测量出挤压后的铅丝厚度,即为该齿的齿侧间隙,依照此方法多测量几个位置,将测得的结果求其平均值。
传动箱轴承松紧度的调整
组装好的角传动箱,要求轴能转动自如。所有轴承的松紧度均应调整合适。调整的方法是增减轴承盖与轴承座之间的垫片厚度,达到轴承松紧合适。

1、螺栓;2、轴承盖;3、调整垫片;4、调整垫片 5、轴承盖 6、螺栓;7、螺栓 8、轴承盖
9、调整垫片 10、轴承盖 11、螺栓 12、调整垫片
图3 角箱轴承松紧度调整
调整方法是:松开螺栓1,去掉轴承盖2,增加或减少调整垫片3的厚度来调整轴承的松紧度;松开螺栓6,去掉轴承盖5,增加或减少调整垫片4的厚度来调整轴承的松紧度;松开螺栓7,去掉轴承盖8,增加或减少调整垫片9的厚度来调整轴承的松紧度;松开螺栓11,去掉轴承盖10,增加或减少调整垫片12的厚度来调整轴承的松紧度;
1.3.1.2 角传动箱的安装与使用
1.3.1.2.1 新机使用前的准备与检查
新装配好的传动箱,在使用前应进行一次全面的检查,检查的主要内容包括:
1)各传动件的表面是否干净整洁。用洁净的拭布将传动件擦拭一遍。
2)用手转动输入及输出法兰,应运转灵活,无卡阻,异响。
3)打开箱盖,检查润滑油路是否通畅。
4)将各紧固件重新紧固,各紧固件及连接应无松动现象。
5)用油尺检测传动箱油面的高度是否合适,并要及时增加油箱的油量。
6)上述工作完成后,,将传动箱安装在试验台上,进行空运转试验。在低速600rpm和1500rpm的情况下,各运转5s~10s,停车,打开箱盖,观察齿轮啮合是否正常,传动箱运转时有无异响,各润滑油路是否畅通。若有异常现象,应立即停机,待故障排除后方可继续运转。
1.3.1.2.2角传动箱的安装
吊装角传动箱时,按照指定的吊装位置进行起吊。
注意!
起吊时要注意防止损坏角传动箱和部件。
按照整机的位置,以角传动箱的输入法兰中心线为安装基准,划线找正位置后,将角传动箱置于车架上,安装所有的螺栓、垫圈、垫片以及在车架上支撑角传动箱体的支
板,全部螺栓装好后紧固所有螺栓,需要与车架和后支架焊接的地方,焊缝高度不得低于10mm。
1.3.1.2.3角传动箱的使用
角传动箱在车架上安装固定好后,进行预运转试验(出厂前已做);
1.3.2 常见故障与排除
角传动箱的常见故障与排除见下表:
序号 | 故障现象 | 可能生产的原因 | 排除方式 |
1 | 漏油 | 油封损坏 | 更换油封 |
2 | 异常发响 | 轴承磨损松旷 | 更换新件 |
轴承漏油引起润滑不够或润滑油粘度不合适 | 补充或更换符合规定的润滑油 | ||
齿轮啮合间隙过大或齿轮槽毂与平键轴磨损松旷 | 更换新件或修复平键轴 |
注意:对角传动箱的响声,应注意其特点,对症解决。如角传动箱发响,则可能是轴承松旷;若出现金属干摩擦声,传动箱过热,则可能是缺油或轴承过紧;若在工作中出现周期性发响,则可能是齿轮部分损坏或齿轮轴线偏斜。响声如是噪音,轻微者允许继续工作,若出现尖锐的打击声,则可能是轮齿折断或箱体内误入金属体,应立即检修。
1.3.4 角传动箱的维护与保养
本节讲述日常维护与保养的方法与步骤,以确保角传动箱的良好工作状况。
角传动箱应保持干净,以便于检查。在做好清洁工作的基础上,应检查各部弹簧垫圈是否裂损,螺栓与螺母是否松动,有无漏油现象。同时检查挂合装置是否灵敏,发现为题及时修复或更换。每班前要检查角传动箱的油平面是否正常。
注意!
在检查油位时,拆卸油管之前,应先将油管端部周围擦拭干净,防止灰尘或异物进入油池,否则将引起角传动箱内的部件过度磨损或油路堵塞。检查后应及时增加或减少油池的油量。
1) 每工作1000h后应进行一次全面检查保养,要求检查各紧固件、连接件有无松动,操作系统是否灵活;润滑系统是否通畅,还要求对润滑油进行更换。要换掉的润滑油应趁热放出,并注意油内有无金属颗粒。若发现金属颗粒,应拆开角传动箱箱盖进行检查,找出原因,进行处理。废油放尽后,重新安装上放油塞,用相当于角传动箱约1/3的轻柴油或掺有5%机油的煤油加入角传动箱内,然后启动发动机,低速工作数分钟,停熄发动机,放出清洗油,再加入相同牌号的润滑油到规定的油面。
2)在更换润滑油的同时,打开箱盖,检查箱体内部齿轮、键的磨损情况,以及箱体内部各紧固件有无松动现象,并加以紧固。同时应对其他零部件检查保养,发现损坏或磨损严重的应及时修复或更换。
3)每班前检查角传动箱的油面是否正常。检查后应及时增加或减少油池的油量。

角箱明细表
序号 | 代号 | 名称 | 数量 |
1 | C0.72.05.01 | 箱体 | 1 |
2 | 490703100 | 空气滤清器 | 1 |
3 | C0.100B.03-01 | 箱盖 | 1 |
4 | C0.72.05-02 | 密封垫 | 1 |
5 | 430563012250 | 螺栓GB/T5781-2000 | 40 |
6 | 435020D00120 | 垫圈GB/T93-1987 | 38 |
7 | 430563020400 | 螺栓GB/T5781-2000 | 32 |
8 | 435020D00200 | 垫圈GB/T93-1987 | 32 |
9 | C0.72.05-03 | 垫板100×90×20 | 6 |
10 | 475700 | 组合密封垫12 | 18 |
11 | 430563016600 | 螺栓GB/T5781-2000 | 8 |
12 | 431033000160 | 螺母GB/T41-2000 | 8 |
13 | C0.100B.03/02 | 密封垫 | 1 |
14 | C0.100B.03-03 | 轴承盖 | 1 |
15 | C0.72.05-06 | 压板 | 1 |
16 | C0.72.05-07 | 键 | 2 |
17 | C0.100B.03-05 | 链轮 | 1 |
18 | HG4-692-67 | 油封PG90×110×12 | 1 |
19 | GB285-94 | 轴承NN3016 | 1 |
20 | 475570 | 丝堵Z 3/4" | 1 |
21 | C0.100B.03-06 | 输出轴 | 1 |
22 | 432020008200 | 螺钉GB/T67-2000 | 2 |
23 | 475455 | 接头 | 2 |
24 | C0.72.05-10 | 铜管%%c10×1-500 | 1 |
25 | 5321003070007000 | O形橡胶密封圈 | 1 |
26 | C0.72.05-11 | 螺栓M14×1.5×35 | 16 |
27 | 435020D00140 | 垫圈GB/T93-1987 | 16 |
28 | 475456 | 接头 | 1 |
29 | C0.72.05-12 | 键 | 2 |
30 | C0.72.05-13 | 齿轮座 | 1 |
31 | 2402-115B | 齿轮 | 1 |
32 | C0.72.05.02 | 接油盒 | 1 |
33 | 430563012150 | 螺栓GB/T5781-2000 | 2 |
34 | C0.72.05-14 | 端盖 | 1 |
35 | C0.72.05-15 | 隔套 | 1 |
36 | 453000021400 | 圆锥滚子轴承GB/T297-1994 | 1 |
序号 | 代号 | 名称 | 数量 |
37 | C0.72.05-16 | 轴承座 | 1 |
38 | 453000021300 | 圆锥滚子轴承GB/T297-1994 | 1 |
39 | 430563012300 | 螺栓GB/T5781-2000 | 6 |
40 | HG4-692-67 | 油封PG80×100×12 | 1 |
41 | C0.72.05-17 | 隔套 | 1 |
42 | C0.100B.03-07 | 输入法兰 | 1 |
43 | C0.72.05-19 | 螺母M56×1.5 | 1 |
44 | C0.72.05-20 | 螺母M56×1.5 | 1 |
45 | 2402-0112B | 输出齿轮 | 1 |
46 | C0.72.05-21 | 压盖 | 1 |
47 | C0.72.05-22 | 调整垫 | 1 |
48 | C0.72.05-23 | 调整垫 | 1 |
49 | C0.100B.03/04 | 密封垫 | 1 |
50 | C0.72.05-25 | 轴承座II | 1 |
51 | 453000021800 | 圆锥滚子轴承GB/T297-1994 | 2 |
52 | C0.72.05-26 | 调整垫 | 2 |
53 | C0.100B.03.01 | 输出轴座 | 1 |
54 | C0.72.05.04 | 支座 | 1 |
55 | C0.72.05-27 | 密封垫 | 1 |
56 | C0.72.05-28 | 隔套 | 1 |
57 | QJKT-3J-8 | 三通管接头 | 1 |
58 | C0.72.05.05 | 加油管道 | 1 |
1.4 传动链条
1.4.1 链传动副的工作条件十分恶劣,所以一定要按润滑要求进行良好润滑,并且在作业完毕应清洗链条及链条的污泥。
1.4.2 要注意检查链轮的紧固情况,发现松动应立即紧固。
1.4.3 链条的过松或过紧都影响工作性能,出厂时已调好,但用一段时间后应进行调整,调整方法是:将绞车两端的轴承座固定螺栓松开,借助绞车架上的顶丝调整。如果链条松,只通过调整绞车不能使链条张紧达到要求,可去掉一节或二节链以后再调整来达到要求。待调整合格后,将顶丝的并帽并紧,并将绞车固定牢靠。
1.5 绞车总成
绞车总成主要有以下部分组成:主滚筒及刹车系统、绞车机架及护罩、链条及护罩等。
1.5.1 主滚筒及刹车系统
主滚筒由滚筒轴、滚筒体、刹车毂、离合器、辅助刹车、链轮及刹车系统等组成。滚筒轴选用优质合金钢制造,经特殊热处理,具有较高的强度和良好的韧性。在轴的滚筒离合器端,安装有导气龙头,用于控制离合器;刹车毂,采用空气冷却,经热处理,具有较高的强度和硬度,耐热、耐磨,使用寿命长。气动推盘离合器,轴向气囊推盘摩擦片式,气动控制轻便可靠,多片摩擦片组,传动力矩大,结合平稳,减轻滚筒启动时的冲击动载。
滚筒结构见图5。

图5 主滚筒总成
滚筒主要配件
序 号 | 代 号 | 名 称 |
1 | 22226 | GB/T288 轴承 |
2 | YJC12B.01.01 | 滚筒体 |
3 | YJC12B.01-08 | 轴 |
4 | C0.100B.12.01.01-02 | 刹车鼓 |
5 | YJC12B.01-16 | 链轮 |
6 | 6224 | GB/T276 轴承 |
7 | ATD224 | 推盘离合器 |
滚筒刹车系统: 刹车系统是控制绞车运动的。是操作装置中较关键的部件之一。其性能好坏,关系到全套设备能否正常工作。绞车刹车装置分为手控机械刹车和气动刹车两部分,手刹与气刹分开操作,互不干拢,其刹车功能完全相同。
其结构简图见图6。

图6 刹车系统
手按刹把,相应杆件机构及助力液缸工作,消除刹带与刹车毂之间的间隙,从而实现绞车制动。放开刹把,杆件机构及刹带总成在弹簧力的作用下复位,助力液缸的活塞也随之返回。
1.5.1.1 手控机械刹车
1)使用前,必须调整好刹带与刹车鼓之间的间隙,此间隙一般约为2mm为宜。刹带吊架是为了保证刹带与刹车鼓有均匀间隙而设置的,应调整合适,使之发挥作用。
2)使用前,调整好刹车装置中传动件的位置关系。当刹把处于刹死位置时,刹车轴上的肘子与其相连的连杆应处于垂直位置。
3)调整部位:刹带与刹车鼓的间隙,各传动件位置靠调节连杆、刹带死端等部位来保证,调整完后,必须将调整部位的并紧螺母并紧。
1.5.1.2 绞车气动刹车
绞车气动刹车的原理如图5,气刹车装置是采用QF--50A二通气开关控制的。当二通气开关的手柄由关搬到开时,进入刹车气缸的空气压力由零变化到气路系统中最大压力值,也就是说刹车力由零变化到最大值,将绞车刹。V乖俗,此时应同时脱开绞车离合器。

图7 气动刹车
1.5.1.3 刹车装置的维护保养
1)刹带是易损件,当刹带的摩擦片磨损到铜铆钉突出摩擦面后,应及时更换摩擦
片;
2)刹带与摩擦鼓的摩擦面应保持清洁,防止油、水、泥污溅入而影响刹车性能;
3)经常注意调整好刹车带与刹车鼓之间的间隙,以增强刹车效果和提高刹车带的使用寿命。
4)刹车带装置中的各构件都是重要的受力件,任何一件损坏都会造成恶果。因此,必须经常检查,发现问题,应及时整改。紧固件是否松动,并紧装置是否可靠,也必须予以注意。
5)刹车装置的大部分构件处于污泥浊水的环境中,因此,应采取防腐措施,每次工作完后应及时清洗干净,并涂上防锈油脂。
6)对轴承联接销轴等部位,应根据润滑表的规定定期进行润滑。
1.5.2 绞车机架及护罩
绞车机架为钢板焊接结构,用于连接和支承主滚筒、刹车机构、链条护罩等部件;通过螺栓与副车架连接。
绞车架在使用中应注意以下问题:从绞车投入使用起,绞车架就承受着很大负荷,因此定期检查绞车架组焊件的焊缝很有必要。此外还要检查绞车架与副车架的连接螺栓的紧固情况,若有偏移应横向调整绞车架的位置使其共面,然后上紧螺栓。
1.5.3 链条及护罩
链条采用高强度滚子链28A-2(1 3/4″),将动力从角传动箱输出轴链轮传递到主滚筒链轮。链条护罩为全封闭整体护罩,安装有通气口、油位观察装置,链条飞溅润滑。
1.5.4 绞车操作使用规范
绞车是采油车的主要设备之一,正确操作刹把、操作控制箱各控制手柄,以控制绞车进行各种规格作业,是操作者的基本岗位技能要求。以下介绍绞车的使用与故障排除。
1.5.4.1 使用前的检查及要求:
1)检查绞车润滑系统,润滑油应充足,油管无泄漏。
2)各固定螺栓无松动,各支座无裂纹,各护罩无渗漏。
3)检查大绳,排绳整齐,无断股、断丝等现象;并定期润滑。
4)检查控制台各操作气阀、液压控制阀功能正确、操作灵活、无泄漏。
5)检查各气动、液压控制管路完好、无泄漏;主滚筒轴端的气动旋转接头旋转灵活,管路畅通无泄漏;各类压力表灵敏、指示正确;气压表压力0.65-0.8MPa,液压表额定压力16MPa。
6)检查指重仪,指重表准确灵敏;
7)检查调整刹车带,刹车块磨损剩余厚度不得小于15mm。刹车片与刹车毂周边间隙4.5mm~5mm。
8)检查刹机构,灵活可靠,压下刹把应能可靠地刹住滚筒。
1.5.4.2 刹把操作规范
大班司机(操作者)操作刹把时,应同时协调发动机油门主滚筒组合阀的操作,使起下操作动作平稳。
安全注意事项:
操作时应集中精力。
操作应平稳,严禁猛提、猛入、猛刹、猛顿。
严格控制下放速度,防止刹车突然失灵,造成顿钻。
1.5.4.3 滚筒刹车系统的调整
滚筒刹带使用一段时间后,刹带块磨损影响制动效果,应及时进行调整,确保刹车机构良好性能。
调整刹带间隙:当刹带块磨损到一定程度,刹带间隙较大时,应及时进行调整。调整方法是:将刹带刹紧后,把限位圈上的全部螺栓上紧,然后再将各螺栓松开三圈,刹带与刹车毂之间的间隙约为4mm~5mm,调好后旋紧各锁紧螺母。旋紧锁紧螺母时,勿使调整螺钉转动。一旦转动必须按调整方法重新进行。
调整刹带活动端:当刹带刹紧后,刹带活动端的正确状态应如图8所示。刹车性能正常。当出现图10所示情况时,刹车性能不佳或不能正常刹车,应进行调整。
调整刹带平衡:当刹带刹紧后,刹带死端平衡梁的正确状态应如图9 所示,左右两刹带工作平衡,刹车性能正常,当出现图12的情况时,两刹带受力不均,易造成刹带块偏磨,制动力不足,应及时进行调整,调整方法按图中说明进行。
更换刹车带刹车块:当刹带刹车块磨损,其固定螺栓头快到与刹车毂接触时,即刹车块磨损剩余厚度15mm时,应全部更换新刹车块。
注意! 刹车块及离合器摩擦块磨损严重时应及时更换,决不允许磨损到刹车块固定螺钉接触轮辋。
图8 滚筒刹车活端正确调整图


图9 刹带死端的正确调整图

图10 滚筒刹车活端调整图
(不正确,C点到AB连线的距离太远)

图11 滚筒刹车活端调整图
(不正确,C点越过了AB线)

图12 滚筒刹车死端调整图
(不正确,刹带死端左右不平衡)
2、操作室
该设备的操作室外形美观,使用空间大,其外包皮采用铁皮铺盖,操作室内蒙皮采用宝丽板,骨架是用型材和钢板组焊而成,前、后、左、右开窗均采用推拉式玻璃窗。操作室隔墙填充有泡沫石棉保温材料,有较好的保温作用,操作室给工作人员提供了良好的工作环境。
2.1作业完毕时应及时将操作室冲洗干净,存放期间(特别是长期存放)最好是遮盖起来。
2.2车身上的活动铰链,应经常保持清洁,并应涂以防腐润滑油,以保证良好的使用性能。
3、操作装置
3.1副排档装置
副排档装置是指在操作室操纵汽车变速箱的排档装置。
新出厂的设备,其副排挡装置经过了精心调试,能保证排挡轻便、灵活,挡位准确,且与汽车排档装置同步。
3.1.1使用注意事项:
1) 在使用中如果发现挂不上挡的现象,应仔细检查整个排挡装置(包括原汽车排挡装置)的紧固件是否松动,杆件运动是否受阻及杆件是否变形等,如有故障应及时排除,经检查调试后,只要在变速箱处的连接叉上销轴在变速箱的每一个挡位时都能同时插入连接叉上的孔和接头上的孔,就能保证副排挡装置排挡到位。
2)按润滑要求进行润滑。
3.2副动离合器
副动离合器是指在操作室控制发动机离合器的操纵装置,用来远程控制发动机与专用装置的传动离合。

图13 副动离合器传动示意图
3.2.1副动离合器在使用中要注意以下事项:
1)使用中如发现踏下踏板而不能切除发动机的动力,应检查各连接处的连接是否松动或脱落,前支架左支座板处的换向阀是否换向。如有故障应及时解除修好。
2)应保持各相对转动处润滑良好。
3.3排绳器
排绳机构为手动机械排绳、通过方向盘手动干预,可以将钢丝绳整齐的排列在滚筒上,防止钢丝绳交错排列而损坏钢丝绳。
3.3.1 排绳溜板不滑动,产生原因和解决办法:
1)传动链条脱落,重新装好链条;
2)链条破断,更换链条;
3)链条破断,更换链条;
3.3.2 操作很费劲,其原因可能是排绳器的维护保养不当:
3.3.3经常检查紧固件的紧固情况,以保证排绳器的良好传动;
3.3.4 对轴承,传动链条等部位,应保证润滑充分及时。
4 计量系统
本车上使用的是QCX计量装置(即深度、张力计量装置),它主要由量轮、压紧轮光电编码器、传感器和电子电路等组成。其用途是计量钢丝绳的下井深度、张力。
4.1计量装置的作用、维护保养
4.1.1 计量装置安装在井架顶端,仪表部分安装在操作室内。
4.1.2 安放:取下压紧轮,将钢丝绳放入计量轮和压紧轮中间槽内,然后装好压紧轮。
4.1.3 计量装置的使用环境很差,作业完毕时应进行冲洗,并擦干净,然后在计量轮、压紧轮上涂防锈油保护。
4.1.4 按润滑表中的要求对计量装置的滑转部位进行润滑。
4.1.5 应保证各轮转动灵活(特别是计量轮),如有卡阻现象,应及时进行修复。
5 液压系统
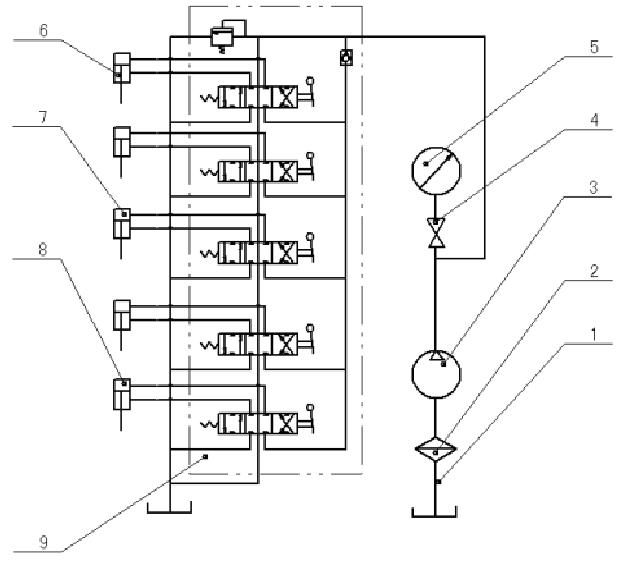
液压系统由齿轮油泵,五路操纵阀、防侧翻支腿油缸、起升液缸、后支架支腿油缸、液压油箱及其附件组成,保持液压油的清洁是液压系统正常工作的关键所在
液压系统的主要作用是用于打支腿和起放井架。
5.1液压系统原理见图14;

1、油箱 2、吸油滤清器 3、齿轮油泵 4、压力表开关 5、压力表 6、下支腿油缸 7、上支腿油缸
8、起升油缸 9、五路换向阀
图14 液压系统原理图
5.2 使用和维护保养:
5.2.1工作中应保持平稳,避免猛提猛拉;
5.2.2经常检查各连接部位是否漏油,发现问题应及时处理;
5.2.3滤油器应定期清洗或更换。
6 气路系统
气路系统分别用于控制绞车刹车、绞车离合器、全功率取力器和侧面取力器挂挡。
气路系统原理图见下图15

图15 气路系统原理图
6.1全功率取力器气控换挡操作与注意事项:
6.1.1 首先检查控制全功率取力器换档手柄主阀操作灵活,气路是否畅通。
6.1.2 在搬动手动转阀手柄时,应缓慢平稳并应配合使用离合器,以防发生冲击,损坏零部件。
6.1.3 使用中应经常检查气路是否畅通,有无泄漏,并应及时排除故障,保证全功率取力器换档可靠。
6.2 使用和维护保养
6.2.1 工作中保持气源压力在0.6 MPa -0.8MPa,最高不超过0.8MPa;
6.2.2 须经常检查气路接头,阀体的气密情况,有问题应及时修整 。
6.2.3 行车中须将绞车工作气源截止;
6.2.4 各操作阀应定期检查,保养。
7、电路系统
电路系统按其功能分下述部分:
电源
汽车电器仪表及其操作
钢丝绳张力、深度显示
照明
7.1主要技术规格
7.1.1 引入电源24V(汽车电瓶)
7.1.2 指深
a 指深范围0-9999m
b 电源电压24V
c 误差±0.5m
7.1.3 指重
a 指重范围0-1999kN
b 电源电压24V
c 综合精度±3%
7.2 工作原理及操作程序
7.2.1 电源
操作绞车电气系统,顶灯,井场照明等采用汽车24伏电瓶供电。原驾驶室有关电路系统操作使用,详见《斯太尔汽车使用保养说明书》。
7.2.2 汽车电器仪表及其操作
汽车发动机的起动和停止、柴油机工作时的机油压力和水温均采用两地控制和监测,分别设置于驾驶室和操作室,两套仪表共用一组传感器,并设有上车、主车档位切换开关。操作台面板设有钥匙开关、油门控制器、顶灯开关、室外灯开关、气压表等。
7.2.2.1操作程序
a 行车:汽车行驶前的准备工作和注意事项除按正常要求进行外,还需注意下述有关特殊事项:
检查行车、绞车离合器手柄,应挂在行车挡。然后再打开钥匙开关。
组合仪表内装有润滑压力过低和前、后刹车气压过低报警指示灯。
b 绞车:开动绞车前,应首先检查行车、绞车离合手柄,应挂在绞车挡,打开钥匙开关起动发动机,发动机工作后,绞车操作面板上的组合仪表均应正常指示。
7.3 张力、深度,其工作原理和操作程序详见《指深装置使用及维修说明书》;
7.4 照明
绞车上的照明,包括汽车照明灯、室内灯、井场照明灯,由24V供电。
六、设备的定期保养
汽车底盘的保养参见有关厂家提供的使用说明书。以下介绍绞车部分的定期保养
1、每次作业后完成以下保养内容
1.1应对车身进行冲洗、对计量轮进行冲洗,并对其传动部位涂以润滑脂。
1.2给传动链条、排绳器链条加机械润滑油。
2、每五班保养
2.1给传动轴、绞车、刹车装置、排绳器的轴承加润滑脂。给上述各件的转动部位及副排挡装置,加机械油。
2.2上紧绞车顶丝。
2.3紧固绞车架与车身托架的连接螺栓。
2.4紧固刹车装置各螺栓。
2.5检查并调整刹带与刹车鼓的间隙。
2.6检查气路系统管线情况。
3、每两月保养
3.1检查传动链条张力及啮合情况。
3.2检查全功率取力器、角传动箱的固定。
3.3紧固绞车的十二根拉条螺栓。
3.4 夏冬换季及600h保养。
在夏季、冬天换季或作业600h应更换全功率取力器、变速箱的润滑油。
七、润滑
采油车各主要部位工作介质,润滑油、润滑脂推荐选用的油料及牌号见下表。
油品推荐使用牌号
润 滑 部 位 | 类别及名称 | 牌号或代号 |
液压系统 | 抗磨液压油 | N68 |
全功率取力器 角传动箱 | 工业齿轮油 | 120号或150号 |
滚动轴承滑动轴承及其它 | 通用锂基润滑脂 | 2号 |
八、故障分析与排除
底盘与发动机的故障与排除见底盘及发动机的说明书。
一些常见故障及排除方法见下表
故障分析与排除
序号 | 故障表征 | 原因分析 | 检查及排除方法 |
液压系统工作异常 | |||
1 | 液压系统无压力 | ①油泵未挂合 ②油泵损坏或内漏 ③多路阀上溢流阀堵塞 | ①检查挂合油泵 ②更换和检修油泵 ③清洗、检查溢流阀 |
2 | 液压执行机构不动作或爬行 | ①系统压力过低 ②控制阀内泄漏 ③液压执行机构泄漏或卡阻 ④胶管断裂 ⑤液压油缺少 ⑥液压系统有空气 | ①同上述检查及排除办法 ②检查或更换控制阀 ③检查相应液压机构 ④更换液压胶管 ⑤添加足够液压油 ⑥液压系统空循环排气 |
气路系统工作异常 | |||
1 | 系统无气压 或气压低 | 管线破裂 | 更换断裂管线 |
2 | 气动执行机构 不动作 | ①系统无压力或压力低 ②气控阀失灵或损坏 ③管线、气囊破裂 | ①同上述检查及排除方法 ②检修或更换气控阀 ③更换管线、气囊 |
传动系统工作异常 | |||
1 | 角传动箱 无动力输出 | 角传动箱齿轮或键损坏 | 检修或更换键、齿轮 |
2 | 绞车不转 | ①离合器打滑 ②刹把未松开 ③气压过低 ④链条断 | ①调整离合器间隙或换摩擦片 ②松开刹把 ③调节增大气压使之达到0.6MPa ④更换链条 |
绞车刹车系统工作异常 | |||
1 | 刹车失灵 | ①刹车与刹车鼓间隙过大 ②刹车活端调整不好 ③刹带磨损严重 | ①调整刹车带与刹车毂间隙 ②调整刹车活端 ③更换刹车带块 |
九、运输与贮存
1、本产品采用裸装发运。
2、本产品在铁路(或水路)运输时,除以自驶或拖拽方式上下火车(船)外,必须使用吊装的方法装卸时,应采用专用吊具以避免损伤产品。
3、如果本产品将有较长时期的停用时,汽车底盘、发动机的保管应按其封存保管规定执行。
4、本产品存放在避风雪、干燥、保暖、通风并具有消防设备的库房内。
十、质量保证
1、质量保证:
用户在遵守产品正确的运输、贮存、使用规则的条件下,从产品出厂之日起一年内,确因设计、制造等原因出现质量问题时,生产厂家无偿提供配件和维修服务。超过保修期或在保修期内因违章操作发生质量问题故障,生产厂家提供有偿提供配件、维修服务或按相关协议执行。
2、联系方法
用户在使用过程中若出现质量问题,请随时和我公司营销中心联系。
联系地址:上海市浦东新区江山路3998号中曼石油装备集团有限公司
电 话:
传 真:
E-mail :
邮 编:
十一、 附表
附表1 随 机 资 料 清 单
序号 | 名 称 | 份数(份) | 备注 |
1 | 整车合格证 | 1份 | |
2 | 整车使用说明书 | 1份 | |
3 | 指深指重仪使用说明书 | 1份 | |
4 | 底盘使用说明书、维修手册、合格证 | 1份 |
附表2 随 机 工 具 清 单
序号 | 名称 | 代号/规格 | 数量 | 备注 |
1 | 底盘随车工具 | 1套 |
附表3 主要易损件清单
序号 | 部件名称 | 代号 | 名称 | 数量 |
1 | 液压系统 | GB/T 3452.1-2005 | O型密封圈12.5×1.8 | 10 |
2 | 全功率取力器 | GB9877.3-88 | 唇形密封圈Z100×125×12 | 2 |
3 | 全功率取力器 | GB9877.1-88 | 骨架油封B20×35×7 | 2 |
4 | 角传动箱 | HG4-692-67 | 油封PG80×100×12 | 2 |
5 | 角传动箱 | HG4-692-67 | 油封PG90×110×12 | 2 |
附表4 采油配套工具清单
序号 | 名称 | 代号 | 数量 | 备注 |
1 | 手压泵 | 30MPa | 2 | 3/8"NPP |
2 | 液压防喷盒 | 单缸弹簧回位式5/8" | 2 | 泵压达12-16MPa |
3 | 油管悬绳器 | 2 7/8" | 1 | |
4 | 油管悬绳器 | 3 1/2" | 1 | |
5 | 加重杆 | 1.25m×45mm×15.6kg | 8 |
6 | 加重杆 | 1.25m×58mm×26kg | 8 | |
7 | 捞油抽子 | 2 7/8" | 3 | 与加重杆连接 |
8 | 捞油抽子 | 3 1/2" | 3 | 与加重杆连接 |
9 | 抽汲胶皮 | 新式胶皮 2 7/8" | 40 | 胶皮外径73mm |
10 | 抽汲胶皮 | 新式胶皮 3 1/2" | 40 | 胶皮外径58mm |
11 | 防喷管 | 3 1/2"EUE×3m | 2 | |
12 | 高压管线 | ?16×20m | 2 | 连接手动泵和防喷盒,含快速接头 |
13 | 防喷盒胶皮 | 50 | ||
14 | 由壬 | 3" 高压 150MPa | 2 | 3 1/2"平式(公×母),与3 1/2"油管配套 |
15 | 变扣 | 3 1/2"平式公×2 7/8"平式母 | 10 | 防喷管与液压抽汲防喷盒,耐压21MPa |
16 | 变扣 | 2 7/8"平式公×3 1/2"平式公 | 10 | 清蜡闸门与由壬连接,耐压21MPa |
17 | 短节 | 3 1/2"平式双公*0.2m | 10 | 70MPa(78通径)清蜡闸门与由壬连接 |
十二、 附图

序号 | 名称 |
1 | 汽车二类底盘 |
2 | 前支架 |
3 | 液压PTO |
4 | 全功率取力器 |
5 | 操作室 |
6 | 刹车系统 |
7 | 控制台 |
8 | 自动排绳器系统 |
9 | 液压系统 |
10 | 井架 |
11 | 角传动箱 |
12 | 链条传动箱 |
13 | 绞车 |
14 | 井架后支架 |




上一篇: HOWO豪沃TX5采油车
下一篇: 重汽豪翰后八轮采油车